◆ AV CAD DRAFTING SPECIALISTS
Expert AV CAD Drafting
For Professionals Worldwide
We deliver precision AutoCAD, D-Tools & Visio drafting for AV integrators across USA, UK, Canada, Australia & Europe. Outsource your CAD work — starting at $30/hr.
✓ USA ✓ UK ✓ Canada ✓ Australia ✓ Europe
823
Projects Delivered
8+
Years Experience
14
Countries Served
99.38%
Client Satisfaction
WHAT WE PROVIDE
Complete AV CAD Drafting Services
Professional CAD drawings for AV integrators — delivered with precision and speed.

📐
Floor Plans & Layouts
Detailed AV equipment placement plans, cable routing, and spatial layouts for any venue size — from huddle rooms to auditoriums.

⚡
Signal Flow Diagrams
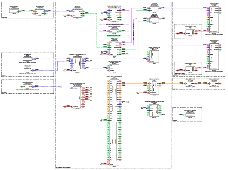
Clear, precise signal flow and single-line diagrams (SLD) showing audio, video, and control signal paths for your AV systems.

🗄️
Rack Elevations
Professional rack elevation drawings showing equipment placement, spacing, and labeling — ready for installation and client approval.

🖥️
AutoCAD Drafting
Industry-standard AutoCAD drawings with proper layering, symbols, and title blocks for AV installations and documentation.

🔧
D-Tools Drawings
D-Tools SI-based drawings and project documentation — schematic, floor plan, and rack layouts fully integrated.

📊
Visio Diagrams
Microsoft Visio AV system diagrams for clients who prefer Visio format — clean, professional, and presentation-ready.
WHY CHOOSE US
Your Trusted AV CAD Partner
We specialize exclusively in AV CAD work — no generalists here. Every drawing is reviewed for accuracy, AV industry standards compliance, and client-ready quality.
✓ AV Industry Expertise
Deep knowledge of AutoCAD, D-Tools SI, and Visio for commercial and residential AV.
✓ Fast Turnaround
Typical delivery within 24–48 hours. Rush jobs available with same-day options.
✓ Unlimited Revisions
We refine drawings until you and your client are fully satisfied — no extra charge.
✓ Confidential & Secure
Your project files and client data are handled with strict confidentiality.
Our Process
Share Your Requirements
Send us your BOM, scope of work, or project brief.
Review & Confirm Scope
We review drawings, connections, and confirm deliverables.
Drafting & Delivery
Professional CAD drawings created and delivered as PDF.
Revisions & Sign-off
Feedback incorporated until you are fully satisfied.
SIMPLE PRICING
Transparent Packages For Every Need
Flexible support packages designed for AV integrators — with guaranteed discounts and priority service.
Weekly Package
$500–750/week
15% Discount
✓ Up to 25 Hours of AV CAD Work
✓ Floor Plans, Rack Elevations
✓ Basic Schematics
✓ Fast Turnaround
✓ Unlimited Revisions
MOST POPULAR
Monthly Package
$2.5K–4K/month
20% Discount + Priority
✓ Up to 100 Hours of AV CAD Work
✓ Full AV Drawing Set
✓ Floor Plans, Racks, Schematics
✓ Conduit Plans + More
✓ Dedicated Support
Yearly Package
$30K–35K/year
50% Discount + Full Support
✓ 1200+ Hours Throughout the Year
✓ Complete AV System Docs
✓ Exclusive Priority Service
✓ Dedicated Account Manager
✓ All Drawing Types Included
TESTIMONIALS
What Our Clients Say
Trusted by AV integrators across 5 countries
★★★★★
“Kenny delivered our full AV drawing set for a 15-room conference facility within 48 hours. Absolutely professional — every line perfectly placed.”
James Mitchell
AV Project Manager, New York
★★★★★
“The D-Tools integration was seamless. Our UK team now outsources all rack elevations and schematics to Kenny AV Solution. Brilliant service.”
Sarah Thompson
Senior AV Designer, London
★★★★★
“Exceptional quality on our hotel AV install drawings. Floor plans, signal flows — all on point. Our Sydney clients were very impressed.”
David Chen
AV Integrator, Sydney
Ready to Outsource Your AV CAD Work?
Join 25+ AV Professionals who trust Kenny AV Solution for precision CAD drawings. Get your first quote in under 24 hours.
✉ kennyavsolution@gmail.com | Starting at $30/hr | 24-hour response
